Top.Mail.Ru
Купить газогорелочные устройства серии «ггу» | ГГУ-9, запасная часть к котлу «Лемакс» в интернет магазине «Лемакс» по доступной цене, большой выбор, гарантии производителя, доставка - Москва

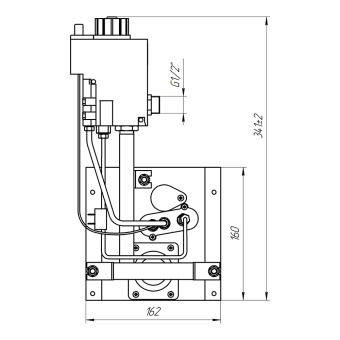
ГГУ-9, запасная часть к котлу «Лемакс»

Поделиться
18 027.60 ₽

Газогорелочные устройства типа ГГУ предназначены для установки в котлы отопительные водогрейные газовые. Применение в конструкции ГГУ инжекционной горелки из нержавеющей стали позволяет получить:

  • пламя большой площади;
  • качественное перемешивание газа с воздухом;
  • полное сжигание газа с низким содержанием СО и NО;
  • исключение проскока пламени;
  • бесшумность работы.


Применение высококачественной автоматики безопасности ведущей итальянской фирмы SIT обеспечивает:

  • модуляцию пламени при розжиге основной горелки, что исключает хлопки;
  • модуляцию мощности основной горелки при подходе к заданной температуре теплоносителя, что резко уменьшает частоту включений и выключений основной горелки и расход газа;
  • стабильность горения при колебаниях входного давления газа;
  • регулировку мощности (150 Вт) запальной горелки;
  • работу ГГУ на природном газе;
  • легкое снятие ГГУ с котла при ремонте без слива теплоносителя из системы отопления благодаря наличию чувствительного термобаллона, установленного в гильзу;
  • розжиг запальной горелки с помощью пьезоэлемента;
  • защиту от случайного воспламенения основной горелки во время розжига запальной горелки благодаря наличию фиксатора на клапане.
  • Код
    104663
  • Тепловая мощность
    9
  • Диаметр газового патрубка (дюйм)
    1/2"
  • Габаритные размеры (высота/ширина/глубина), мм
    360/170/340
  • Масса брутто, кг, не более
    3
  • Масса нетто, кг, не более
    2.5

Сервисные центры «Лемакс» по гарантийному и послегарантийному обслуживанию в Москве

ГОРСЕРВИС

Москва,

Телефон: +7 (495) 788 77 39

ИП Ушаков Федор Викторович

Москва,

Телефон: +7 915 185-53-35

ООО "АОС"

Москва,

Телефон: +7 903 723-51-90

ООО "Лемакс" Контакты:
Адрес: Николаевское Шоссе, 10-в 347913 Таганрог,
Телефон:8 (800) 2008-078, Электронная почта: online@lemax-kotel.ru